網站首頁 > 解決方案 >大氣環保
安帕爾土壤墑情監測系統——引領農業科技新潮流
2024-10-24
0次
在現代農業中,精準管理土壤水分是提高作物產量和質量的關鍵。安帕爾土壤墑情監測系統憑借其先進技術,為農業生產帶來了革命性的改變。
方案詳情
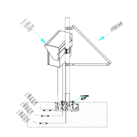
在現代農業中,精準管理土壤水分是提高作物產量和質量的關鍵。安帕爾土壤墑情監測系統憑借其先進技術,為農業生產帶來了革命性的改變。該系統能夠實現對土壤墑情(土壤濕度)的長時間連續監測,確保用戶實時掌握土壤水分動態。您可以根據需求靈活布置土壤水分傳感器,并在不同深度進行監測,以獲取剖面土壤水分情況,從而全面了解土壤狀態。

系統不僅局限于土壤濕度,還提供了擴展功能,可以監測土壤溫度、土壤電導率、土壤pH值以及地下水水位、水質等信息。此外,它還能收集空氣溫度、濕度、光照強度、風速風向和雨量等數據,使系統功能得到全面升級,滿足各種監測需求。
通過安帕爾系統,您可以在不同生態氣候區和種植模式下,建立高效的監測站點。系統能夠實時反映作物的水分需求和土壤水利用狀況,幫助您精準決定灌溉、施肥和播種等農事操作。它還能揭示大氣干旱與土壤干旱的關系,為旱災預警提供有力支持。同時,系統能夠分析不同農業技術對土壤水分的調控作用,科學推廣節水農業技術。
長期積累的數據將幫助您掌握不同區域、土壤類型和技術模式下的土壤墑情變化規律,結合氣象和水文資料,完善區域土壤墑情分級和預警制度。安帕爾系統不僅為精準灌溉提供了科學依據,還能通過合理的水資源開發和利用,推動農業的可持續發展。選擇安帕爾,就是選擇未來農業科技的最前沿。

配套專用產品
Supporting special products